THK中国官网
网站首页
Home
公司简介
About
技术资料
Knowledge
产品展示
Product
代理品牌
Brand
联系我们
Contact
0512-55185900
全局
全局2
相关型号
NR 100A_NR100A
HSR 55B_HSR55B
RSR 72M_RSR72M
RSR 15MN_RSR15MN
SVR 35LRH_SVR35LRH
SSR 15XW_SSR15XW
NR 85LA_NR85LA
RSR 15MVM_RSR15MVM
SHW 50CA_SHW50CA
SHS 35LV_SHS35LV
位置:
THK中国官网
>
LM滚动导轨
> SCR 65_SCR65
SCR 65_SCR65
作者:THK导轨 发布时间:2017-07-20
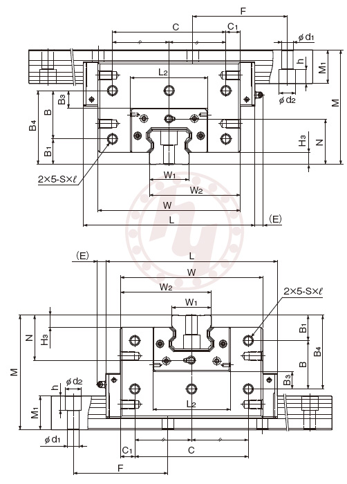
外形尺寸
M
180
mm
W
226
mm
L
272
mm
滑块尺寸
B1
40
mm
B3
27.5
mm
B4
116
mm
B
76
mm
C
180
mm
C1
23
mm
Sxl
M14x22
mm
L2
123
mm
N
71
mm
E
16
mm
油嘴
B-PT1/8
mm
H3
19
mm
导轨尺寸
W1
63
mm
W2
144.5
mm
M1
53
mm
F
150
mm
d1xd2xh
18x26x22
mm
基本额定载荷
C
253
KN
C0
408
KN
静态容许力矩
M0
11.9
KN*m
Mb
13.3
KN*m
重量
滑块
44.5
kg
导轨
23.7
kg/m
展开
收缩
产品销售
客服
服务热线
0512-55185900
15371824813